S64DB-12-135
  • S64DB-12-135 S64DB-12-135

S64DB-12-135

modeli:S64DB-12-135

HCIC S64DB-12-135 hidrolik silindirler: Küresel Endüstriyel Alıcılar için Birinci Sınıf, Özelleştirilebilir Seçenekler. Güvenilir Özellikler, Sabit Performans, fabrikadan doğrudan fırsatlar - inşaat, madencilik ve tarım tedarikleri için idealdir.

  • Number Stages:

    4
  • Nominal Stage OD:

    6
  • Stroke:

    135
  • Closed:

    47.19
  • Open:

    182.19
  • Pin:

    1.75
  • Width:

    8

Talep Gönder

Ürün Açıklaması

Endüstriyel ekipman alıcıları için. Bu HCIC S64DB-12-135 silindir bilgisidir. Temel özellikler, yapım kalitesi, nerede kullanılacağı, özel hizmetler. Hepsi pratik. Tüy yok.


customizable hydraulic cylinders


parker multi-stage hydraulic cylinders


I. Temel Özellikler: Çoğu Kurulum İşine Uygun


HCIC S64DB-12-135 = standart tasarım. Çoğu endüstriyel makine için çalışır. Güç aktarımı, kurulum — sorun yok.


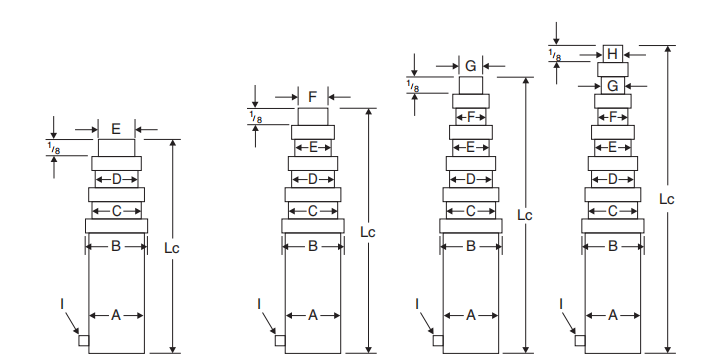
• Yapısal Boyutlar:Dış çap 6. 4 kademeli. İnme 135. Kapalı uzunluk 47.19. Uzatılmış uzunluk 182.19. Kompakt. Standart makine montaj yuvalarına uyar.

• Montaj Uyumluluğu:Pim boyutları 1,75 / 1,5. 8 / 2,69 genişlikleriyle eşleşir. Kaynak, menteşe — her ikisi de işe yarar. Çoğu makinenin sıfır modlara ihtiyacı vardır.

• Temel Performans:Standart endüstriyel conta. Normal şartlarda kesintisiz çalışır. Yaygın hidrolik basınç standartlarını karşılar.


heavy-duty hydraulic cylinders


II. Yapı Kalitesi: Güvenilir, Arıza Yok


Her adımı kontrol ediyoruz. Hammaddeden nakliyeye kadar. Kısayol yok. Sadece tutarlı kalite.


(1). İşlenmemiş içerikler:Namlu = 45# dikişsiz çelik boru. Piston çubuğu = söndürülmüş + krom kaplamalı. Aşınmaya karşı dayanıklıdır, paslanmaya karşı dayanıklıdır. Düzenli endüstriyel kullanım için iyidir.

(2). İşleme ve Montaj:Silindir iç duvarı = honlanmış pürüzsüz. Piston sıkışmadan hareket eder. Endüstriyel contalar = daha az yağ sızıntısı.

(3). Kalite Kontrolü:Her silindir 3 testten geçer. Basınç testi. İnme testi. Mühür testi. Tüm test verilerini kaydediyoruz. Yalnızca geçiş = gönderim.

dump hydraulic cylinder

III. Uygulama Senaryoları: Her Tür Dişlide Çalışır


S64DB silindirleri birçok endüstriyel alana uygundur. Makineler için katı güç parçaları.


• İnşaat Makineleri:Ekskavatörler, yükleyiciler. Bom ve kepçe tahriklerine uyar. Kolları kaldırın, teleskoplayın, döndürün. Günlük inşaat işleri için uygundur.

• Metalurji ve Madencilik:Ocak ayarları, kırıcı besleme kontrolü. Zorlu ortamlarda çalışır. Temel saha gereksinimlerini karşılar.

• Tarım Makinaları:Ekme makineleri, biçerdöverler. Ekim derinliğini ayarlar, başlıkları kaldırır. Tarımı daha verimli hale getirir.

• Özel Ekipman:Parametreleri ayarlayın. Hava asansörlerine ve çöp sıkıştırıcılarına uygundur. Temel güç desteği tamamlandı.


IV.SSS

Teknik özellikler, uyumluluk, kalite ve kişiselleştirme dahil olmak üzere HCIC S64DB-12-135 hidrolik silindir hakkındaki sorularınıza pratik yanıtlar.

📏 Temel Özellikler ve Uyumluluk

S: HCIC S64DB-12-135 silindiri standart endüstriyel makineme hiçbir değişiklik yapılmadan uyacak mı?

C: Kesinlikle. HCIC S64DB-12-135, kompakt yapısal boyutlara (dış çap 6, kapalı uzunluk 47,19, uzatılmış uzunluk 182,19) ve uyumlu pim boyutlarına (1,75 / 1,5) ve genişliklere (8 / 2,69) sahip standart tasarımlı bir hidrolik silindirdir. Çoğu standart makine montaj yuvasına ve hem kaynak hem de menteşe montaj işlerine uyar; çoğu endüstriyel makine, güç aktarımı veya diğer görevler için kurulum için sıfır mod gerektirir.

S: HCIC S64DB-12-135 silindirinin temel yapısal ve performans özellikleri nelerdir?

C: HCIC S64DB-12-135'in 4 aşaması, 135 inç stroku, kapalı uzunluğu 47,19 inç ve uzatılmış uzunluğu 182,19 inçtir. Standart endüstriyel contalar kullanır, normal endüstriyel koşullarda kesintisiz çalışır ve genel hidrolik basınç standartlarını karşılar. Kompakt tasarımı, çoğu endüstriyel makinedeki dar montaj alanları için idealdir.

S: HCIC S64DB-12-135 silindir için hangi montaj seçenekleri mevcuttur?

C: Bu silindir iki yaygın endüstriyel montaj yöntemini destekler: kaynaklama ve menteşeleme. Uyumlu pin boyutlarıyla (1,75 ve 1,5) gelir ve standart makine genişlikleriyle (8 ve 2,69) eşleşir, böylece ekipmanınıza en uygun yöntemi kullanarak takabilirsiniz; çoğu makine için özel montaj adaptörüne gerek yoktur.

S: HCIC S64DB-12-135 silindiri kesintisiz endüstriyel kullanımın üstesinden gelebilir mi?

C: Evet. Standart endüstriyel contalarla üretilmiştir ve genel hidrolik basınç standartlarını karşılayarak normal endüstriyel koşullarda kesintisiz çalışmasına olanak tanır. Bilenmiş pürüzsüz iç silindir duvarı, pistonun yapışmadan hareket etmesini sağlar ve yüksek kaliteli malzemeler aşınmaya karşı dayanıklıdır; inşaat, tarım veya metalurji makinelerinde günlük sürekli kullanım için mükemmeldir.

⚙️ Kalite ve Uygulama Senaryoları Oluşturun

S: HCIC S64DB-12-135 silindiri yapmak için hangi malzemeler kullanılıyor ve ne kadar dayanıklı?

C: Silindir namlusu 45# dikişsiz çelik borudan yapılmıştır ve piston kolu söndürülmüş ve krom kaplanmıştır; bu kombinasyon aşınmaya ve paslanmaya karşı dayanıklıdır, normal endüstriyel kullanım için mükemmeldir. İç duvar, pistonun yapışmasını önlemek için pürüzsüz bir şekilde bilenmiştir ve endüstriyel contalar yağ sızıntısını azaltır; bunların tümü, beklenmedik arızalar olmadan uzun ömürlü, güvenilir performans sağlar.

S: HCIC S64DB-12-135 silindiri sevkıyattan önce hangi kalite testlerinden geçiyor?

C: Her bir HCIC S64DB-12-135 silindiri, göndermeden önce 3 zorlu testten geçer: basınç testi (hidrolik standartları karşılamak için), strok testi (sorunsuz hareket sağlamak için) ve sızdırmazlık testi (yağ sızıntısını önlemek için). Tüm test verilerini ileride başvurmak üzere saklıyoruz ve üçünü de geçemeyen bir silindiri asla göndermiyoruz; kısayol yok, yalnızca tutarlı kalite.

S: HCIC S64DB-12-135 silindiri hangi endüstriyel alanlar ve makineler için uygundur?

C: Bu silindir çok yönlüdür ve birçok endüstriyel alana uygundur. İnşaat makineleri (ekskavatörler, bom/kepçe tahrikleri için yükleyiciler), metalurji ve madencilik ekipmanları (fırın ayarları, kırıcı besleme kontrolü), tarım makineleri (ekim derinliği ayarı için ekim makineleri, biçerdöverler) ve özel ekipmanlar (hava kaldırıcıları, çöp kompaktörleri) için çalışır; her türlü dişli için sağlam bir güç parçasıdır.

S: HCIC S64DB-12-135 silindir zorlu madencilik veya metalurji ortamlarında iyi performans gösterebilir mi?

C: Evet. Söndürülmüş ve krom kaplı piston kolu pas ve aşınmaya karşı dayanıklıdır ve 45# dikişsiz çelik namlu, madencilik ve metalurji sahalarının zorlu koşullarına dayanacak kadar dayanıklıdır. Fırın ayarlamaları ve kırıcı besleme kontrolü için tasarlanmıştır ve temel saha gereksinimlerini karşılar; en çok ihtiyaç duyduğunuz anda arızalanması konusunda endişelenmenize gerek kalmaz.

🛡️ Kişiselleştirme ve İşbirliği Avantajları

S: HCIC S64DB-12-135 silindirini özel ekipman ihtiyaçlarımı karşılayacak şekilde özelleştirebilir miyim?

C: Kesinlikle. Standart HCIC S64DB-12-135 makineniz için tam olarak uygun değilse özel hidrolik çözümler sunuyoruz. Özel ihtiyaçlarınıza göre yapıyı, stroku, montaj stilini ve contaları ayarlayabiliriz; makinenizin ortamını, güç ihtiyaçlarını ve montaj alanını doğrulamak için teknik ekibimizle 1'e 1 çalışmanız yeterli; size özel bir çözüm oluşturacağız.

S: HCIC S64DB-12-135 silindirinin özel bir versiyonunu alma süreci nedir?

C: Özel süreç basittir: 1) Öncelikle teknik ekibimiz ihtiyaçlarınızı doğrulamak ve net bir ihtiyaçlar belgesi oluşturmak için sizinle 1'e 1 sohbet eder. 2) Daha sonra silindirin özelliklerini ayarlayıp onaylamanız için size çizimler gönderiyoruz. 3) Onayladıktan sonra ürünü üretiyoruz (ilk gelene ilk hizmet verilir) ve tercih ettiğiniz yöntemle (küresel müşteriler için deniz/hava taşımacılığı) gönderiyoruz. 4) Son olarak kurulum ve kullanım konusunda satış sonrası destek sağlıyoruz.

S: HCIC S64DB-12-135 silindirini doğrudan fabrikanızdan sipariş ettiğimde ne gibi avantajlar elde ederim?

C: Doğrudan HCIC fabrikamızdan sipariş vermenin iki büyük avantajı vardır: Birincisi, fiyat avantajı - aracı yok, böylece maliyetten tasarruf edersiniz ve toplu siparişlerde daha iyi indirimler elde edilir. İkincisi, dış ticaret desteği; çok dilli belgeler, gümrük kodu ipuçları ve beyanname belgeleri konusunda yardım sağlıyoruz, böylece sınır ötesi satın alma işlemleri sorunsuz oluyor. Ayrıca insan kaynaklı olmayan hasarlar için standart garanti ve ücretsiz onarım/parçalar sunuyoruz.




V. Özel Hizmetler: Silindirleri İstediğiniz Şekilde Kullanın


Özel ihtiyaçlar mı? Basit bir sürecimiz var. Size özel hidrolik çözümler.


(1). Konuşmaya İhtiyaç Var:Teknik ekibimiz 1'e 1 sohbet ediyor. Makinenizin ortamını, güç ihtiyaçlarını ve montaj alanını doğrulayın. Size net bir ihtiyaç belgesi verin.

(2). Tasarım Aşaması:Yapıyı, stroku, montajı ve contaları ayarlayın. İhtiyaçlarınıza göre. Onaylamak için size çizimler gönderin.

(3). Üretim ve Teslimat:Özel siparişler = ilk gelen ilk alır. Düzenli özel modeller = standart teslim süresi. Küresel müşteriler için deniz/hava taşımacılığı.

(4). Satış Sonrası Destek:Standart garanti. İnsan kaynaklı olmayan hasar = ücretsiz onarım/parça. Teknik yardım hattı = kurulum/kullanım sorularını istediğiniz zaman yanıtlar.


double-acting telescopic hydraulic cylinders

VI. İşbirliği Avantajları: Kolay Küresel Anlaşmalar


HCIC = profesyonel hidrolik silindir fabrikası. Küresel müşteriler için birlikte çalışmak iyidir.


• Fiyat Avantajı:Fabrika doğrudan. Aracı yok. Maliyetlerden tasarruf edin. Toplu siparişler = daha iyi indirimler.

• Dış Ticaret Desteği:Çok dilli dokümanlar. Gümrük kodu ipuçları. Beyanname kağıtları konusunda yardım. Sınır ötesi satın alma = sorunsuz.


VII.Bize Ulaşın:

HCIC, ağırlıklı olarak hidrolik sistem tasarımı, üretimi, kurulumu, dönüşümü, devreye alma ve hidrolik bileşenler marka satışı ve teknik hizmetleriyle uğraşan profesyonel bir hidrolik üreticisidir. Ürünümüzün maliyetinizi düşürmenize ve kalitenizi artırmanıza yardımcı olabileceğini umuyoruz.Daha fazla ayrıntı için lütfen bize "davidsong@mail.huachen.cc" e-postası gönderin veya Google'da "HCIC hidrolik" araması yapın


Sıcak Etiketler: S64DB-12-135, Üreticiler, Tedarikçiler, Toptan Satış, Özelleştirilmiş, Stokta Var, Reddedilen Kamyon, Çin, Kar Küreme Aracı

İlgili Kategori

Talep Gönder

Lütfen sorgunuzu aşağıdaki formda yapmaktan çekinmeyin. 24 saat içinde size cevap vereceğiz.
X
Size daha iyi bir gezinme deneyimi sunmak, site trafiğini analiz etmek ve içeriği kişiselleştirmek için çerezleri kullanıyoruz. Bu siteyi kullanarak çerez kullanımımızı kabul etmiş olursunuz. Gizlilik Politikası
Reddetmek Kabul etmek